Proyecto Final

Documentación del proyecto final

Regresar a Portafolio

Descripción

El proyecto trató del desarrollo de un sistema de automatización para una cafetería, la cual requería de una mayor eficiencia y buscaba una solución tecnológica que mostrará a un robot preparando café para fines tanto publicitarios como de automatización de procesos.

Reporte PDF
...

Objetivo general

• Construir un barista mediante procesos automatizados aplicando los procesos vistos en clase (electrotecnia, electroneumática, motores, PLC y sensores) con el propósito de optimizar el proceso de preparación de café.

Objetivos específicos

  • • Diseñar y construir un circuito neumático que permita controlar el flujo y entrega final del café ya preparado.
  • • Diseñar y construir un circuito eléctrico que permita seleccionar el tipo de café y de leche que guste el usuario.
  • • Crear un diagrama de bloques ejecutable en el PLC para el control de un motor a pasos (selector de leche) y comunicación con mediante pines I/O con Robot UR5e para establecer la secuencia de trabajo para la elaboración de un café.

Contexto y problemática que resuelve

En eventos masivos o lugares concurridos donde se requiere algún servicio de cafetería (como pueden ser eventos sociales, juntas en oficinas de trabajo, entre otros), la lentitud en el servicio de café debido a la necesidad de supervisión humana directa para garantizar la atención puede generar algunos errores o atrasos, como los siguientes:

  • Filas largas y tiempos de espera prolongados, que afectan la experiencia del usuario.
  • Costos operativos mayores, al requerir la contratación de personal adicional para atender la demanda.
  • Falta de consistencia en la calidad del servicio, debido al cansancio del personal o a errores humanos en momentos de alta presión.

Una propuesta de solución a dichos inconvenientes es la instalación de un mecanismo automático que funcione como barista de café, que cuente con las siguientes características:

  • Aceleración del proceso de servicio mediante un sistema lineal e inmediato que permite preparar y servir cafés de forma continua y precisa.
  • Eliminar la necesidad de personal humano dedicado, reduciendo costos operativos y liberando recursos para otras tareas.
  • Garantizar un servicio consistente, ofreciendo la misma calidad en cada taza sin importar el volumen de usuarios.
  • Optimizar la experiencia del cliente, reduciendo filas y tiempos de espera, y permitiendo que los asistentes disfruten de su café sin estrés.

Propuesta de automatización

La propuesta se basa en desarrollar un sistema de barista automatizado que utilice tecnología avanzada para mejorar la experiencia del servicio de café. Este sistema incluirá:

  • Un brazo robótico UR5e para realizar tareas clave como el manejo de tazas, la preparación del café y la interacción precisa con dispensadores automáticos.
  • Dispensadores automáticos para ingredientes como café, leche, azúcar y otros complementos, asegurando precisión y rapidez en cada preparación.
  • Controles de tiempo optimizados para garantizar la eficiencia en la preparación y minimizar tiempos de espera.
  • Interfaz intuitiva para los usuarios, permitiendo seleccionar opciones personalizadas de café de forma rápida y sencilla.

Este sistema automatizado con el UR5e reducirá las tareas del personal para, lo que permitirá garantizar una alta consistencia en la calidad del café servido.

Representación del sistema automatizado con el UR5e

Representación del sistema automatizado con el brazo robótico UR5e

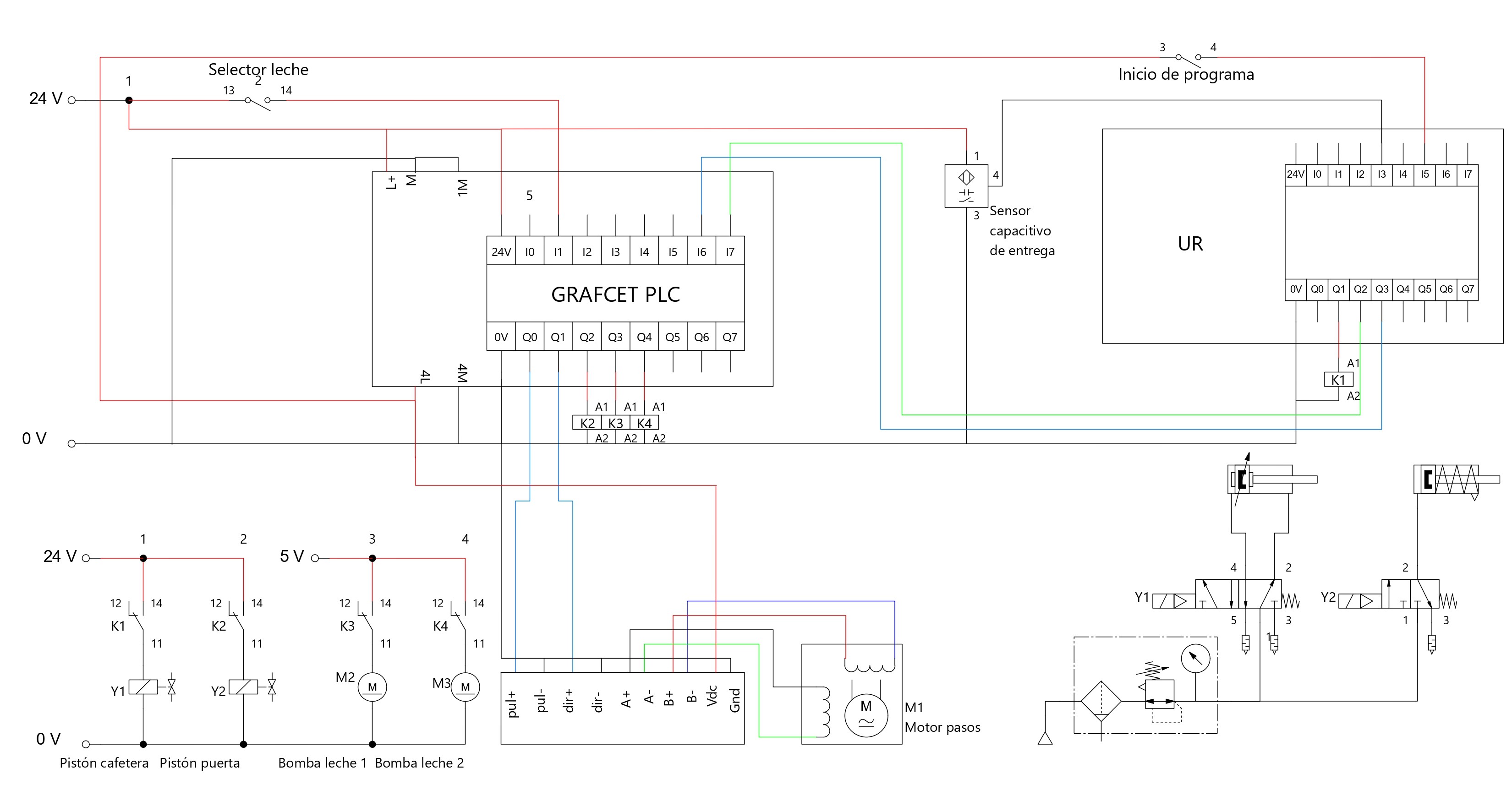
Plano eléctrico y neumático

A continuación, se muestra el esquema del sistema eléctrico y neumático utilizado en el proyecto. Este esquema detalla la configuración de los componentes y conexiones esenciales para el funcionamiento del sistema automatizado.

Plano Eléctrico y Neumático

Programa de PLC y UR5e

El siguiente programa de PLC controla la secuencia de preparación de bebidas en la máquina de café automatizada. Utiliza instrucciones de control lógico para garantizar la precisión y eficiencia del sistema. Además se complementa con conexiones al robot UR5e para coordinar las tareas de manipulación.

Programa de PLC - Parte 1
Programa de PLC - Parte 2
Programa de PLC - Parte 3
Programa de PLC - Parte 4
Programa de UR - Parte 1
Programa de UR - Parte 2
Programa de UR - Parte 1
Programa de UR - Parte 2
Programa de UR - Parte 2

Video y fotografías

Video del prototipo en funcionamiento mostrando el proceso de preparación de café.

Fotografía panel eléctrico
Fotografía UR5e Conexiones
Fotografía Cafetera
Fotografía dispensador de leche
Fotografía entrega
Fotografía panel botones
Fotografía del proyecto

Modelos 3D y piezas para corte láser

Se presdentan los modelos 3D del proyecto.

Lista de Materiales

Cantidad Concepto Precio Foto
Insumos
2 Jarras para leche $120 Jarras para leche
1 L de leche $38 L de leche
1 Bolsa de azucar $25 Bolsa de azucar
1 Paquete de vasos para café (40 pzs) $35 Paquete de vasos para café (40 pzs)
1 Cafetera $700 Cafetera
Tornilleria
4 Tornillos M6X60mm y tuercas $60 Tornillos M6X60mm y tuercas
1 Tornillo M5x30mm y tuercas $27.5 Tornillo M5x30mm y tuercas
15 Tornillos M4x10mm $35 Tornillos M4x10mm
9 Tuercas M4 $18 Tuercas M4
2 Tornillos M10x80mm y tuercas $10 Tornillos M10x80mm y tuercas
12 Tornillos M1 y tuercas $70 Tornillos M1 y tuercas
12 Arandelas M1 $46 Arandelas M1
Cantidad Concepto Precio Foto
Componentes Electrónicos
1 UR5e $534,187.5 Ur5 e
1 Fuente 5V $500 Fuente 5V
1 Fuente 24V $1725 Fuente 24V
7 Relevadores $300 relevadores
1 Siemens 6ES7214-1AG40-0XB0 S7-1200 $6600 Siemens 6ES7214-1AG40-0XB0 S7-1200
50 Clemas $700 Clemas
1 Motor a pasos 34HS59-5004D y Driver CL57T $1926 motor a pasos 34HS59-5004D y driver cl57t
1 Cable 6m $160 Cable 6m
1 Interruptor termomagnético $462 Interruptor termomagnético
Cantidad Concepto Precio Foto
Mecánica
2 Pliegos de MDF $160 Pliegos de MDF
1 Tabla triplay 1.2m x 0.8m $599 Tabla triplay 1.2m x 0.8m
2 Bombas de agua sumergible 5V $78 Bombas de agua sumergible 5V
1 Manguera de pvc 3m $69 Manguera de silicon 3m
2 Bisagras $50 Bisagras
1 Pistón simple efecto $90 Pistón simple efecto
1 Pistón de doble efecto $300 Pistón de doble efecto
1 Manguera para las bombas de leche $60 Manguera para las bombas de leche
1 Rodamiento para mesa giratoria $300 Rodamiento para mesa giratoria
2 Electroválvulas SAI4-2050 $640 Electroválvulas SAI4-2050
1 Multiválvula SAI4-2052 $320 Multiválvula SAI4-2052
1 Válvula de mantenimiento $700 Válvula de mantenimiento
8 Piezas impresión 3D (112 g 11.3 h) $296.13 Piezas impresión 3D (112 g 11.3 h)

Costo Total del Proyecto

El costo total del proyecto, incluyendo todos los materiales y componentes necesarios, es de:

Total: $551,111.00 MXN

Este costo incluye todos los insumos requeridos para la construcción y automatización del sistema.

Conclusiones

El desarrollo del proyecto permitió implementar de manera efectiva los cinco temas principales abordados en clase: electrotecnia, control de motores, neumática, PLC y sensores. Tras realizar pruebas de funcionamiento individual en cada uno de los componentes del mecanismo y posteriormente integrarlos en una secuencia operativa completa, se observó una mejora significativa en los tiempos y la precisión respecto a lo que se podría lograr con intervención humana. Sin embargo, se identificó que aún existe margen para optimizar los tiempos de servicio.

Durante las pruebas, se realizaron múltiples iteraciones bajo un enfoque de prueba y error, especialmente en el diseño de la estación de entrega y el dispensador de leche. Estas experiencias evidenciaron la necesidad de reducir la cantidad de errores en futuros proyectos. Para lograrlo, se recomienda una planificación más detallada en las etapas iniciales, así como la adquisición anticipada de materiales que cumplan con las especificaciones técnicas requeridas.

El barista automatizado cuenta con un gran potencial de mejora. Entre las propuestas de mejora destacan:

• Implementación de detectores de distancia o sensores capacitivos análogos para medir la cantidad de líquido en la taza y garantizar su correcto posicionamiento.

• Automatización de la entrega de complementos como azúcar, crema u otros aditivos, junto con un sistema para mezclarlos automáticamente con el café.

• Incorporación de un gripper mecánico con pinzas adaptables para sujetar las tazas de manera más eficiente, lo que reduciría errores relacionados con el posicionamiento.

Además, se podrían abordar otras mejoras, como la instalación del dispensador de azúcar (pendiente en esta versión del proyecto) y el rediseño del soporte del pistón que regula el flujo del café. Con estas y otras optimizaciones, el proyecto podría alcanzar un nivel de desarrollo que permita su comercialización y distribución en diversos entornos comerciales. Esto reduciría la necesidad de supervisión constante y ofrecería una experiencia más eficiente y práctica para los usuarios al consumir café preparado de manera automatizada.

Referencias bibliográficas