Práctica 8

Sensores inductivos

Regresar a Teoría

Introducción

En esta práctica se busca conocer y comprender el funcionamiento de los sensores industriales, así como su conexión y control a través de un PLC. Mediante la simulación en FluidSim y la construcción de circuitos físicos, se explorarán las aplicaciones de distintos tipos de sensores industriales. Además, se realizarán comparaciones entre circuitos para identificar diferencias en los componentes y su comportamiento en diversas condiciones. Esta práctica es fundamental para entender cómo los sensores se integran en sistemas automatizados en un entorno industrial.

Instrucciones PDF Archivos TIA Portal
...

Objetivo general

Conocer, investigar e identificar el funcionamiento de los sensores industriales y su conexión con un PLC.

Objetivos específicos

  • Identificar los componentes del circuito 1 y realizar una tabla comparativa con su función, simbología y foto de componente real.
  • Realizar la simulación en FluidSim del circuito 1, construir físicamente el circuito, grabar un video del funcionamiento y adjuntarlo en el reporte de práctica.
  • Identificar las características de funcionamiento de un sensor industrial.
  • Identificar los componentes del circuito 2 y realizar una tabla comparativa con su función, simbología y foto de componente real.
  • Realizar la simulación en FluidSim del circuito 2, construir físicamente el circuito, grabar un video del funcionamiento y adjuntarlo en el reporte de práctica.
  • Identificar la diferencia entre el primer circuito y el segundo.
  • Identificar los componentes de los circuitos 3 y 4, y realizar una tabla comparativa con su función, simbología y foto de componente real.
  • Realizar la simulación en FluidSim de los circuitos 3 y 4, construir físicamente ambos circuitos, grabar un video del funcionamiento y adjuntarlo en el reporte de práctica.
  • Identificar la diferencia entre el tercer circuito y el último.

Marco Teórico: Sensores Industriales y su Integración con PLC

Sensores Capacitivos

Los sensores capacitivos detectan objetos mediante el cambio en la capacitancia del entorno cercano. Estos sensores son ideales para detectar materiales no metálicos, como plásticos, líquidos y maderas.

El principio de funcionamiento se basa en el campo eléctrico generado por el sensor. Cuando un objeto se acerca, la capacitancia entre el sensor y el objeto aumenta, lo que genera una señal de salida. Los sensores capacitivos se utilizan en aplicaciones donde es necesario detectar materiales sin contacto físico, especialmente en procesos de control de inventario y nivel de líquidos.

Sensores Inductivos

Los sensores inductivos funcionan detectando objetos metálicos a través de un campo electromagnético. Son ideales para aplicaciones en las que se requiere detectar piezas de metal sin contacto directo.

Estos sensores generan un campo electromagnético alrededor de su bobina. Cuando un objeto metálico se aproxima, altera el campo y cambia la inductancia del sensor, lo que activa una señal de salida. Los sensores inductivos se utilizan comúnmente en líneas de ensamblaje y control de posición de piezas metálicas.

Otros Sensores Industriales

Además de los sensores capacitivos e inductivos, existen otros tipos de sensores industriales utilizados en sistemas automatizados:

  • Sensores de proximidad ópticos: Utilizan un haz de luz infrarroja o láser para detectar objetos, ideales para detectar piezas sin importar el material.
  • Sensores ultrasónicos: Emplean ondas ultrasónicas para medir distancias, adecuados para aplicaciones de control de nivel y posicionamiento preciso.
  • Sensores de presión: Miden la presión de gases o líquidos, utilizados en sistemas hidráulicos y neumáticos.
  • Sensores de temperatura: Monitorean la temperatura de componentes y procesos, fundamentales para control térmico en industrias.

Cada tipo de sensor tiene aplicaciones específicas y se selecciona en función de las necesidades del proceso industrial.

Aplicaciones de Sensores Industriales

Los sensores industriales se emplean en una amplia gama de aplicaciones en la industria, tales como:

  • Control de calidad: Verifican la presencia, posición y dimensiones de piezas en líneas de producción.
  • Control de inventario: Los sensores capacitivos se usan para detectar el nivel de materiales en silos y tanques.
  • Automatización de procesos: Sensores de proximidad y de presión controlan la secuencia de operaciones en procesos automáticos.
  • Seguridad de máquinas: Sensores de proximidad se integran en sistemas de parada de emergencia para evitar accidentes.

Estos sensores son esenciales para asegurar la precisión, calidad y seguridad en los sistemas industriales.

Normas Industriales para Sensores

Los sensores industriales están sujetos a normas que regulan su fabricación, instalación y uso para garantizar su desempeño en ambientes industriales:

  • IEC 60947: Norma para equipos de conmutación y control de baja tensión, que incluye sensores y actuadores.
  • ISO 14119: Norma para dispositivos de protección en sistemas de control, aplicable a sensores de seguridad.
  • IEC 61496: Norma para dispositivos de detección de presencia, utilizada en sensores de seguridad para proteger al personal.

Estas normas aseguran que los sensores cumplan con los requisitos de seguridad y rendimiento en entornos industriales exigentes.

Seguridad y Control de Procesos con Sensores

La integración de sensores en sistemas automatizados es clave para la seguridad y control de procesos industriales. Estos sensores monitorean constantemente variables críticas, permitiendo la detección temprana de fallas o anomalías en el sistema.

En términos de seguridad, los sensores de proximidad y presencia son esenciales en aplicaciones donde es necesario proteger a los operadores de máquinas peligrosas, activando paradas de emergencia si se detecta la presencia de personas en áreas restringidas.

Para el control de procesos, los sensores aseguran que las condiciones operativas se mantengan dentro de los rangos óptimos, lo que permite mejorar la eficiencia y confiabilidad de los sistemas industriales. Los PLC pueden interpretar las señales de los sensores y tomar decisiones en tiempo real para ajustar el funcionamiento de los equipos en función de los datos proporcionados.

Circuito 1 - 4 (PLC)

Componente Función Simbología Foto del componente real
Siemens 6ES7214-1AG40-0XB0 S7-1200 Automatizar procesos, controlar entradas y salidas, comunicarse con otros dispositivos Simbología PLC Foto PLC
Bobina (Relevador) Sirve para cerrar o abrir circuitos de potencia e implemantar lógica cableada. Esto lo realizan mediante una bobina que al energizarse crea un campo magnetico que activa mueve un interruptor. Simbología Bobina Foto Bobina
Interruptor Son de accionamiento manual con dos posiciones. Contienen un sistema de enclavamiento. Simbología Interruptor Foto Interruptor
Linea, Fase Conductor que lleva la corriente eléctrica desde la fuente de energía hasta el punto de consumo. Simbología Interruptor Foto Interruptor
Nuetro Conductor que regresa la corriente al origen, completando el circuito eléctrico. Simbología Interruptor Foto Interruptor
Fuente 24V Necesarias para alimentar con corriente todos los componentes. Envían energía y convierten la corriente alterna en directa para alimentar ciertos circuitos. Simbología Interruptor Foto Interruptor
Botones / pulsadores Permiten abrir y/o cerrar circuitos cuando se ejerce presión sobre él. Simbología Interruptor Foto Interruptor
Lámpara Dispositivos de señalización luminosa. Pueden indicar el estado del sistema, fallos y alarmas. Simbología Lámpara Foto Lámpara
Sensor inductivo Dispositivo que se emplea para detectar la presencia o proximidad de metal. Simbología Sensor inductivo Foto Sensor inductivo
Guarda motor (Contactor) Permite controlar motores mediante un contacto que soporta alta potencia. Su funcionamiento es similar al relevador. Simbología Guarda Motor Foto Guarda Motor
Motor monofásico Máquina rotativa que convierte la energía eléctrica en energía mecánica. Simbología Motor monofásico Foto Motor monofásico
...
...
...
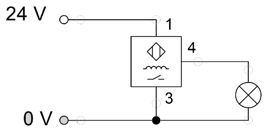
1er Circuito

En este circuito se prueba el sensor industrial inductivo. Este tiene la capacidad de detectar metales al entrar en contacto con ellos; para ello se conecta directamente el sensor a 24V y se conecta directamente a una lámpara para detectar cuando se activa de forma visual.

...
...
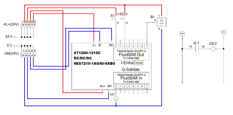
2do Circuito

En este circuito se prueba el sensor industrial inductivo con un PLC. Para ello se conecta y programa el PLC S71200-1215C con la entrada I0.7 con el sensor inductivo a 24V. Se conecta el PLC en la salida Q0.0 a una lámpara para detectar cuando se activa de forma visual.

...
...
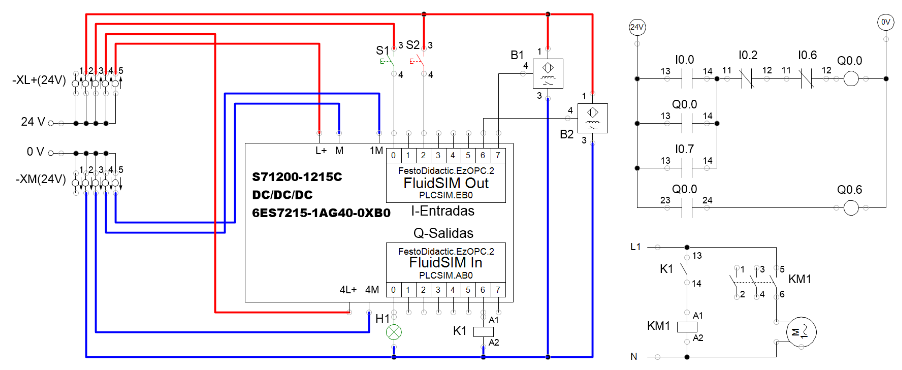
3er Circuito

En este circuito se utiliza el sensor inductivo en un arreglo de enclavamiento para activar un motor monofásico conectado a un relevador y este a su vez a un contactor; para enviar la señal de activación del circuito de enclavamiento se utiliza un PLC con salida visual de activación en Q0.0 y para el relevador en Q0.6.

...
...
4to Circuito PLC

En este circuito se utilizan dos sensores inductivos en un arreglo de enclavamiento para activar y desactivar un motor monofásico conectado a un relevador y este a su vez a un contactor; para enviar la señal de activación del circuito de enclavamiento se utiliza un PLC con las entradas I0.7 para cativar con un sensor (I0.0 para activar con botón) y la entrada I0.6 para desactivar el enclavamiento (I0.2 con botón); con salida visual de activación en Q0.0 y para el relevador en Q0.6.

Conclusión

Al finalizar esta práctica, se logró comprender el funcionamiento de los sensores industriales y su importancia en la automatización de procesos mediante PLC. A través de las simulaciones y montajes físicos, se identificaron las características clave de los sensores y se analizaron las diferencias entre los distintos circuitos estudiados. Los resultados obtenidos demuestran cómo la correcta elección y configuración de los sensores industriales puede mejorar significativamente la precisión y eficiencia de los sistemas automatizados. En conclusión, esta práctica proporcionó una visión clara y práctica del rol de los sensores en la industria moderna, reforzando los conocimientos adquiridos sobre su integración con PLC.

Referencias Bibliográficas