Práctica 6

Electro Neumática

Regresar a Teoría

Introducción

En esta práctica se exploran los sistemas electroneumáticos, realizando simulaciones en el software FluidSim y montajes físicos de circuitos que incluyen cilindros de simple y doble efecto. Además, se investigan las diferencias entre circuitos neumáticos y electroneumáticos, permitiendo identificar los componentes clave, sus funciones y simbología, así como evaluar su aplicación en situaciones prácticas industriales.
A lo largo de la práctica, se busca consolidar los conocimientos adquiridos mediante la comparación de los sistemas y la observación de su funcionamiento en diferentes configuraciones.

Instrucciones PDF
...

Objetivo general

Conocer, investigar e identificar los componentes de los sistemas neumáticos.

Objetivos específicos

  • Identificar los componentes del circuito 1 (cilindro de simple efecto) y realizar una tabla comparativa con su función, simbología y foto de componente real.
  • Realizar la simulación en FluidSim del circuito 1, construir físicamente el circuito, grabar un video del funcionamiento y adjuntarlo en el reporte de práctica.
  • Identificar la diferencia entre un circuito neumático y electroneumático.
  • Identificar los componentes del circuito 2 (cilindro de doble efecto) y realizar una tabla comparativa con su función, simbología y foto de componente real.
  • Realizar la simulación en FluidSim del circuito 2, construir físicamente el circuito, grabar un video del funcionamiento y adjuntarlo en el reporte de práctica.
  • Identificar la diferencia entre el primer circuito y el segundo.
  • Identificar los componentes del circuito 3, realizar una tabla comparativa con su función, simbología y foto de componente real.
  • Realizar la simulación en FluidSim del circuito 3, construir físicamente el circuito, grabar un video del funcionamiento y adjuntarlo en el reporte de práctica.
  • Explicar el funcionamiento del tercer circuito.

Marco Teórico: Sistemas Electroneumáticos

Combinación de Electricidad y Neumática: Automatismos Electroneumáticos

Los sistemas electroneumáticos combinan la potencia y simplicidad de los sistemas neumáticos con el control preciso de la electricidad, permitiendo la creación de automatismos complejos. Esta combinación es común en aplicaciones industriales donde se requiere el control automático de movimientos repetitivos y rápidos.

La electricidad se utiliza en estos sistemas para accionar y controlar válvulas y otros dispositivos neumáticos mediante señales eléctricas, generalmente a través de componentes como relés y contactores. Esto permite la activación remota y secuencial de distintos elementos, aumentando la flexibilidad y precisión en los sistemas de automatización.

Diferencias entre Sistemas Neumáticos y Electroneumáticos

Existen algunas diferencias clave entre los sistemas neumáticos y electroneumáticos:

  • Sistemas Neumáticos: Utilizan exclusivamente aire comprimido para mover actuadores y controlar el flujo en los circuitos. Estos sistemas suelen ser sencillos y económicos, pero su control puede ser limitado debido a la falta de precisión en la activación.
  • Sistemas Electroneumáticos: Integran electricidad para el control, utilizando dispositivos como electroválvulas, relés y temporizadores. Esto permite una mayor precisión, flexibilidad y control, facilitando operaciones complejas y secuenciales.

La capacidad de integrar sensores eléctricos y controladores en los sistemas electroneumáticos permite realizar tareas complejas que serían difíciles de implementar en sistemas exclusivamente neumáticos.

Uso de Electroválvulas en Sistemas Electroneumáticos

Las electroválvulas son componentes esenciales en los sistemas electroneumáticos. Una electroválvula es una válvula neumática accionada eléctricamente, que permite controlar el paso de aire mediante una señal eléctrica, lo que facilita el control remoto y automático en los circuitos.

Las electroválvulas funcionan mediante una bobina electromagnética que, al recibir corriente, genera un campo magnético que desplaza un núcleo o émbolo, permitiendo o impidiendo el paso de aire. Estas válvulas pueden ser de diversos tipos, como 3/2, 4/2 o 5/2 vías, cada una con aplicaciones específicas:

  • Electroválvula 3/2: Permite el control de un cilindro de simple efecto, con tres vías y dos posiciones, generalmente con una entrada de aire, una salida hacia el actuador y una posición de escape.
  • Electroválvula 4/2: Controla un cilindro de doble efecto, permitiendo el paso de aire en ambas direcciones para extender o retraer el cilindro. Se utiliza en aplicaciones donde se requiere un control bidireccional.
  • Electroválvula 5/2: También controla cilindros de doble efecto, pero ofrece una configuración adicional para aplicaciones que requieren un control más avanzado.

La activación de electroválvulas puede realizarse mediante distintos métodos, como el accionamiento directo desde un controlador lógico programable (PLC), o mediante relés y temporizadores en sistemas eléctricos más sencillos.

Cilindros de Simple y Doble Efecto en Sistemas Electroneumáticos

En los sistemas electroneumáticos, los cilindros de simple y doble efecto se utilizan para realizar movimientos lineales controlados mediante electroválvulas. Estos cilindros permiten operaciones repetitivas y precisas en sistemas automáticos:

  • Cilindros de Simple Efecto: Utilizan una sola cámara de presión para extenderse, y un resorte para retraerse. Son adecuados para aplicaciones donde se requiere un movimiento unidireccional controlado.
  • Cilindros de Doble Efecto: Permiten el control de movimiento en ambas direcciones mediante presión de aire en ambas cámaras. Esto ofrece mayor versatilidad y es ideal para aplicaciones que requieren movimientos de ida y vuelta.

En los sistemas electroneumáticos, la combinación de cilindros con electroválvulas permite el control remoto de estos movimientos, lo que resulta en una automatización eficiente y versátil.

Aplicaciones de los Sistemas Electroneumáticos

Los sistemas electroneumáticos son ampliamente utilizados en la industria, especialmente en aplicaciones que requieren un control preciso y automatización de procesos. Algunas aplicaciones típicas incluyen:

  • Automatización de ensamblaje: En líneas de producción para mover piezas y componentes de forma precisa y rápida.
  • Sistemas de empaque: Para la manipulación, cierre y sellado de productos en industrias de alimentos y bienes de consumo.
  • Prensas y sistemas de estampado: Utilizan cilindros electroneumáticos para controlar el movimiento en operaciones de prensado.
  • Control de puertas y compuertas automáticas: En aplicaciones de transporte y almacenamiento, donde se requiere la apertura y cierre automático de puertas o compuertas.

La integración de sistemas electroneumáticos con PLCs y sensores permite crear soluciones de automatización avanzadas, mejorando la eficiencia y precisión en procesos industriales.

Circuito 1 - 3

Componente Función Simbología Foto del componente real
Bobina (Relevador) Sirve para cerrar o abrir circuitos de potencia e implemantar lógica cableada. Esto lo realizan mediante una bobina que al energizarse crea un campo magnetico que activa mueve un interruptor. Simbología Bobina Foto Bobina
Interruptor Son de accionamiento manual con dos posiciones. Contienen un sistema de enclavamiento. Simbología Interruptor Foto Interruptor
Linea, Fase Conductor que lleva la corriente eléctrica desde la fuente de energía hasta el punto de consumo. Simbología Interruptor Foto Interruptor
Nuetro Conductor que regresa la corriente al origen, completando el circuito eléctrico. Simbología Interruptor Foto Interruptor
Fuente 24V Necesarias para alimentar con corriente todos los componentes. Envían energía y convierten la corriente alterna en directa para alimentar ciertos circuitos. Simbología Interruptor Foto Interruptor
Botones / pulsadores Permiten abrir y/o cerrar circuitos cuando se ejerce presión sobre él. Simbología Interruptor Foto Interruptor
Lámpara Dispositivos de señalización luminosa. Pueden indicar el estado del sistema, fallos y alarmas. Simbología Lámpara Foto Lámpara
Unidad de mantenimiento Aparato diseñado para depurar el aire comprimido en una planta y mentener su calidad para sistemas neuméticos. Simbología Lámpara Foto Lámpara
Cilindro de simple efecto Tipo de actuador que genera un movimiento lineal que solo requiere de una entrada ya que su retorno a posición inicial es por muelle. Simbología Lámpara Foto Lámpara
Cilindro de doble efecto Tipo de actuador que genera un movimiento lineal que solo requiere de dos entradas una para accionarlo y otra para regresarlo a su posición inicial. Simbología Lámpara Foto Lámpara
Válvula estranguladora anti-retorno Cierran el paso de un fluido que está circulando en una dirección determinada por un circuito. Simbología Lámpara Foto Lámpara
Válvula solenoide (electromagnética) Controla el flujo de fluidos a través de un conducto. La corriente eléctrica permite abrir o cerrar la válvula. Simbología Lámpara Foto Lámpara
Fuente de aire comprimido Suministra aire comprimido a presión. Simbología Lámpara Foto Lámpara
Válvula Dispositivo que controla y dirige el aire comprimido (o aceite), regulando su presión, caudal, dirección, entrada y salida, y habilitación o cierre. Esta puede tener varias entradas y salidas a la vez que diferentes formas de activación y desactivación (por muelle, botones, palancas, electrónicas, por aire, etc.). Simbología Lámpara Foto Lámpara
Silenciador neumático Dispositivo que se coinecta a la salida de las válulas para disminuir el ruido de escape de aire a presión. Simbología Lámpara Foto Lámpara
...
...
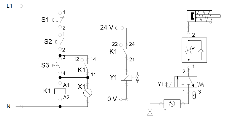
1er Circuito cilindro simple efecto

En este circuito el motor DC se puede activar o desactivar mediante un circuito de enclavamiento y tiene 240 rev por minuto al alimentarse mediante una fuente de poder de 24V.

Documento de simulación FluidSim
...
...
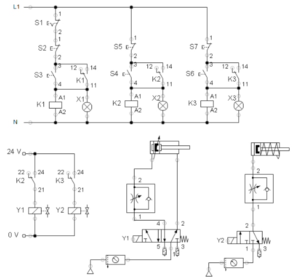
2do Circuito cilindro doble efecto

En este circuito el motor DC se puede activar o desactivar mediante un circuito de enclavamiento y tiene 240 rev por minuto al alimentarse mediante una fuente de poder de 24V.
Además, tiene un sistema para poder escoger el sentido de giro del motor; esto se logra mediante una fuente dual de +24V y -24V DC.

Documento de simulación FluidSim
...
...
3er Circuito combinado

En este circuito el motor DC se puede activar o desactivar mediante un circuito de enclavamiento y tiene 240 rev por minuto al alimentarse mediante una fuente de poder de 24V.
Además, tiene un sistema para poder escoger el sentido de giro del motor; esto se logra mediante una fuente dual de +24V y -24V DC.

Documento de simulación FluidSim

Conclusión

Al finalizar esta práctica, se logró identificar con precisión los componentes principales de los circuitos electroneumáticos y su funcionamiento mediante simulaciones y montajes físicos. Las comparaciones realizadas entre los sistemas neumáticos y electroneumáticos permitieron resaltar las ventajas y limitaciones de cada uno en aplicaciones específicas. Se evidenció que los sistemas electroneumáticos ofrecen mayor precisión y control en ciertos contextos industriales, lo que los convierte en una opción preferible para automatización avanzada. En conclusión, esta experiencia práctica ha consolidado los conocimientos teóricos, proporcionando una comprensión clara y aplicable sobre el diseño y funcionamiento de estos sistemas.

Referencias Bibliográficas