Práctica 4

Motores

Regresar a Teoría

Introducción

En esta práctica se realizaron las simulaciones en el software de FluidSim para comprobar el funcionamiento de los motores DC y AC utilizando relevadores, contactores, guardamotores y fuentes de alimentación de 24V. Además se armaron 3 circuitos para demostrar el funcionamiento de un motor monofásico, trifásico y la inversión de giro de un motor trifásico.
Por último se realizo una tabla comparativa de los elementos de cada circuito para conocer la simbología y su función dentro del circuito.

Instrucciones PDF
...

Objetivo general

Conocer, investigar e identificar el funcionamiento de los motores DC, AC (monofásicos y trifásicos).

Objetivos específicos

  • Identifica cada uno de los componentes del circuito 1 y 2 (Motor DC) y realiza una tabla comparativa con su función, simbología y foto de componente real.
  • Realiza la simulación en Fluidsim del Circuito 1 y 2, graba un video del funcionamiento y adjúntalo en la página del reporte de práctica.
  • Identifica la diferencia entre cada circuito y las características de utilizar un motor DC.
  • Identifica cada uno de los componentes del circuito 3 (Motor AC Monofásico) y realiza una tabla comparativa con su función, simbología y foto de componente real.
  • Realiza la simulación en Fluidsim del Circuito 3, graba un video del funcionamiento y adjúntalo en la página del reporte de práctica. Construye los circuitos físicamente.
  • Identifica la diferencia entre los primeros circuitos y el tercero.
  • Identifica cada uno de los componentes del circuito 4 y 5 (Motor AC Trifásico) y realiza una tabla comparativa con su función, simbología y foto de componente real.
  • Realiza la simulación en Fluidsim del Circuito 4 y 5, graba un video del funcionamiento y adjúntalo en la página del reporte de práctica. Construye los circuitos físicamente.
  • Explica el funcionamiento de estos últimos circuitos.
  • Elabora una tabla comparativa de las diferencias entre un motor DC, AC Monofásico y AC Trifásico.

Marco Teórico: Simulación y Comparación de Motores DC y AC

Motores DC y AC: Funcionamiento y Comparación

Los motores eléctricos se dividen principalmente en motores de corriente continua (DC) y de corriente alterna (AC), cada uno con características y aplicaciones específicas:

  • Motor de Corriente Continua (DC): Utiliza corriente directa para su funcionamiento, ofreciendo un control sencillo de velocidad mediante el ajuste de voltaje o del campo. Es común en aplicaciones de robótica, vehículos eléctricos y sistemas que requieren control preciso.
  • Motor de Corriente Alterna Monofásico (AC): Opera con corriente alterna monofásica y es usado principalmente en electrodomésticos y pequeñas aplicaciones. Su control de velocidad es más complejo, y requiere dispositivos como condensadores para el arranque.
  • Motor de Corriente Alterna Trifásico (AC): Alimentado con corriente alterna trifásica, genera un campo magnético rotante automático, lo que permite una operación suave y alto par. Es común en maquinaria industrial y aplicaciones de alta potencia.

Conexión de Motores Trifásicos con Contactores

Para controlar motores trifásicos, se utilizan contactores que permiten conectar o desconectar el motor de la fuente de energía. La configuración del contactor garantiza que el motor pueda arrancar o parar de manera segura y eficiente, además de facilitar la inversión de giro en aplicaciones que lo requieren.

Inversión de Giro en Motores Trifásicos

La inversión de giro en un motor trifásico se logra intercambiando dos de las tres fases de la conexión. Este proceso altera la dirección del campo magnético rotante, lo que provoca que el motor gire en la dirección opuesta. Esta función es esencial en aplicaciones industriales que requieren cambios de dirección frecuentes.

Tipos de Arrancadores

Los motores AC pueden utilizar diferentes tipos de arrancadores para iniciar su funcionamiento. Los más comunes son:

  • Arrancador Estrella: Reduce la corriente inicial al arrancar el motor conectándolo en configuración estrella. Es ideal para motores de alta potencia.
  • Arrancador Delta: Cambia la conexión a delta después del arranque en estrella, permitiendo al motor operar a plena potencia. Es adecuado para reducir el esfuerzo mecánico y eléctrico durante el arranque.
  • Arrancador Estrella-Delta: Combina ambas configuraciones para un arranque suave y protección del motor, especialmente en aplicaciones industriales.

Componentes de Protección y Control

  • Relevadores: Dispositivos electromecánicos que permiten abrir o cerrar circuitos de control automáticamente, esenciales para activar y proteger otros componentes eléctricos.
  • Contactores: Permiten la conexión y desconexión de motores y cargas de gran potencia a través de un sistema electromecánico seguro.
  • Guardamotores: Proporcionan protección contra sobrecargas y cortocircuitos en motores, interrumpiendo el circuito en caso de exceso de corriente.
  • Temporizadores: Utilizados para controlar el tiempo de activación de un circuito, facilitando operaciones secuenciales en sistemas automáticos.
...
1er Circuito Motor DC

En este circuito el motor DC se puede activar o desactivar mediante un circuito de enclavamiento y tiene 240 rev por minuto al alimentarse mediante una fuente de poder de 24V.

Documento de simulación FluidSim
...
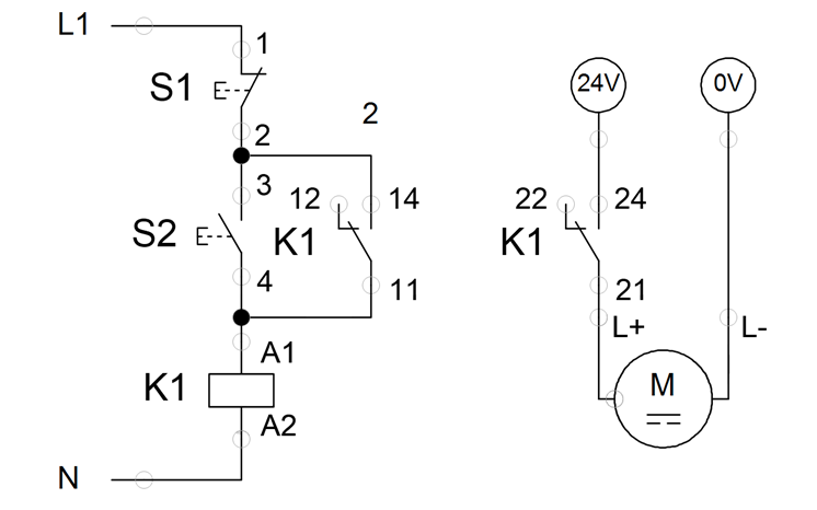
2do Circuito Motor DC

En este circuito el motor DC se puede activar o desactivar mediante un circuito de enclavamiento y tiene 240 rev por minuto al alimentarse mediante una fuente de poder de 24V.
Además, tiene un sistema para poder escoger el sentido de giro del motor; esto se logra mediante una fuente dual de +24V y -24V DC.

Documento de simulación FluidSim

Circuito 1 y 2 (Motor DC)

Componente Función Simbología Foto del componente real
Motor DC Transforma la energía eléctrica en energía mecánica. Simbología Motor DC Foto Motor DC
Bobina (Relevador) Sirve para cerrar o abrir circuitos de potencia e implemantar lógica cableada. Esto lo realizan mediante una bobina que al energizarse crea un campo magnetico que activa mueve un interruptor. Simbología Bobina Foto Bobina
Interruptor Son de accionamiento manual con dos posiciones. Contienen un sistema de enclavamiento. Simbología Interruptor Foto Interruptor
Linea, Fase Conductor que lleva la corriente eléctrica desde la fuente de energía hasta el punto de consumo. Simbología Interruptor Foto Interruptor
Nuetro Conductor que regresa la corriente al origen, completando el circuito eléctrico. Simbología Interruptor Foto Interruptor
Fuente 24V Necesarias para alimentar con corriente todos los componentes. Envían energía y convierten la corriente alterna en directa para alimentar ciertos circuitos. Simbología Interruptor Foto Interruptor
Botones / pulsadores Permiten abrir y/o cerrar circuitos cuando se ejerce presión sobre él. Simbología Interruptor Foto Interruptor
...
...
3er Circuito Motor AC Monofásico

En este circuito el motor AC monofásico se puede activar o desactivar mediante un circuito de enclavamiento y tiene 1492 rev por minuto al alimentarse medianten una fuente de poder de 120V.

Documento de simulación FluidSim

Circuito 3 (Motor AC Monofásico)

Componente Función Simbología Foto del componente real
Motor AC Funciona a través de corriente alterna y transforma energía eléctrica en energía mecánica. Simbología Motor AC Foto Motor AC
Interruptor Son de accionamiento manual con dos posiciones. Contienen un sistema de enclavamiento. Simbología Interruptor Foto Interruptor
Linea, Fase Conductor que lleva la corriente eléctrica desde la fuente de energía hasta el punto de consumo. Simbología Interruptor Foto Interruptor
Nuetro Conductor que regresa la corriente al origen, completando el circuito eléctrico. Simbología Interruptor Foto Interruptor
Botones / pulsadores Permiten abrir y/o cerrar circuitos cuando se ejerce presión sobre él. Simbología Interruptor Foto Interruptor
Guarda motor (Contactor) Permite controlar motores mediante un contacto que soporta alta potencia. Su funcionamiento es similar al relevador. Simbología Guarda Motor Foto Guarda Motor
...
...
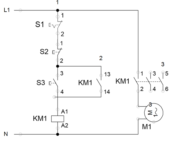
4to Circuito Motor AC Trifásico

En este circuito el motor AC trifásico se puede activar o desactivar mediante un circuito de enclavamiento y tiene 1498 rev por minuto al alimentarse mediante una fuente de poder trifásica.

Documento de simulación FluidSim

Circuito 4 y 5 (Motor AC Trifásico)

Componente Función Simbología Foto del componente real
Motor AC trifásico Funciona a través de corriente alterna y transforma energía eléctrica en energía mecánica. Tiene 3 fases para mayor capacidad de alimentación en el motor y por lo tanto la posibilidad de una mayor potencia. Simbología Motor AC Foto Motor AC
Interruptor Son de accionamiento manual con dos posiciones. Contienen un sistema de enclavamiento. Simbología Interruptor Foto Interruptor
Linea, Fase Conductor que lleva la corriente eléctrica desde la fuente de energía hasta el punto de consumo. Simbología Interruptor Foto Interruptor
Nuetro Conductor que regresa la corriente al origen, completando el circuito eléctrico. Simbología Interruptor Foto Interruptor
Botones / pulsadores Permiten abrir y/o cerrar circuitos cuando se ejerce presión sobre él. Simbología Interruptor Foto Interruptor
Guarda motor (Contactor) Permite controlar motores mediante un contacto que soporta alta potencia. Su funcionamiento es similar al relevador. Simbología Guarda Motor Foto Guarda Motor
Bobina (Relevador) Sirve para cerrar o abrir circuitos de potencia e implemantar lógica cableada. Esto lo realizan mediante una bobina que al energizarse crea un campo magnetico que activa mueve un interruptor. Simbología Bobina Foto Bobina
Lámpara Dispositivos de señalización luminosa. Pueden indicar el estado del sistema, fallos y alarmas. Simbología Lámpara Foto Lámpara
...
...
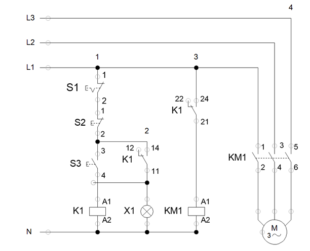
5to Circuito Motor AC Trifásico

En este circuito el motor AC trifásico se puede activar o desactivar mediante un circuito de enclavamiento y tiene 1498 rev por minuto al alimentarse mediante una fuente de poder trifásica.
Además, se puede seleccionar entre un sentido de giro u otro mediante un sistema de enclavamiento que permite activar solo un sentido a la vez.

Documento de simulación FluidSim

Comparación de Motores

Característica Motor de Corriente Continua (DC) Motor de Corriente Alterna Monofásico (AC). Motor de Corriente Alterna Trifásico (AC).
Fuente de Energía Corriente continua (DC). Corriente alterna monofásica (AC). Corriente alterna trifásica (AC).
Eficiencia Menor que los motores AC. Moderada. Alta.
Mecanismo de Arranque No requiere un mecanismo especial. Necesita un condensador o similar. No necesita mecanismo de arranque.
Campo Magnético Proporcionado por el estator, conmutado por escobillas. Campo magnético pulsante de AC monofásica. Campo magnético rotante de AC trifásica.
Control de Velocidad Fácil con ajuste de voltaje o campo. Difícil, requiere dispositivos externos. Fácil con un variador de frecuencia (VFD).
Estructura Estator y rotor con conmutador y escobillas. Diseño simple con mecanismo de arranque. Diseño robusto, campo magnético rotante automático.
Par/Torque y Potencia Par moderado, baja a media potencia. Menor potencia, mayor vibración. Alto par, operación suave.
Manejo de Potencia Aplicaciones de baja a media potencia. Generalmente de baja potencia. Aplicaciones de alta potencia.
Aplicaciones Robótica, vehículos eléctricos, control preciso. Electrodomésticos, ventiladores, bombas. Maquinaria industrial, equipos pesados.
Costo Generalmente más costoso para alta potencia. Normalmente asequible para aplicaciones pequeñas. Moderado a alto, dependiendo de la potencia.

Conclusión

La práctica se realizó de manera exitosa, ya que los circuitos tanto simulados como construidos funcionaron de manera correcta y sin errores. El uso de software de simulación nos permitió comprobar el funcionamiento de los circuitos antes de armarlos y nos permitió detectar algunos errores que se presentaron en el armado físico.

Esta práctica nos ayudó a comprender los principios básicos sobre los motores monofásicos y trifásicos, así como sus componentes y sus distintas aplicaciones.

Referencias Bibliográficas