Práctica 2

Construcción de tablero eléctrico y circuitos básicos

Regresar a Teoría

Introducción

En esta practica se realizo el diseño y armado de un tablero eléctrico hecho de MDF siguiendo la teoría especificada para controlar y proteger los circuitos de la instalación eléctrica, minimizando los riesgos por sobrecargas.
Se incluyeron sus principales componentes como rieles, regletas, tapa, así como botones y focos.

Además se armaron 3 circuitos de automatización que representan un circuito de retención con relevador, circuito dependiente para encender una lampara mediante relevador y la conexión de un motor simple con una sola fase y referencia.

Instrucciones PDF
...

Marco Teórico: Diseño y Armado de Tableros Eléctricos

Componentes del Tablero Eléctrico

El tablero se construyó con los siguientes componentes básicos:

  • Rieles: Facilitan el montaje de dispositivos eléctricos como relevadores y protecciones, permitiendo una disposición ordenada y segura.
  • Regletas: Se utilizan para la distribución de conexiones de manera organizada, lo que ayuda a minimizar errores y facilita el mantenimiento.
  • Tapa: Brinda una protección adicional a los componentes internos del tablero, reduciendo el riesgo de contacto accidental con elementos energizados.
  • Botones y Focos: Se emplearon para el control visual e interactivo del tablero, permitiendo encender, apagar o indicar el estado de los circuitos en tiempo real.

Circuitos de Automatización

En el tablero se armaron los siguientes circuitos de automatización:

  • Circuito de Retención con Relevador: Permite mantener un dispositivo activado mediante un relevador hasta que se interrumpa la señal de retención.
  • Circuito Dependiente para Encendido de Lámpara: Utiliza un relevador para controlar el encendido de una lámpara, activándola cuando se recibe una señal.
  • Circuito de Conexión de un Motor Simple: Este circuito, con una fase y una referencia, permite la operación básica de un motor monofásico.

Seguridad Eléctrica e Industrial en los Tableros

La seguridad eléctrica en tableros es fundamental para prevenir accidentes y proteger tanto a los usuarios como a los equipos. Los tableros deben cumplir con normas internacionales como las de la IEC (International Electrotechnical Commission) y las Normas Oficiales Mexicanas (NOM), que especifican la ubicación y disposición de cada elemento.

Algunas consideraciones importantes incluyen:

  • Protección contra sobrecargas: El uso de dispositivos como relevadores y fusibles garantiza que el circuito esté protegido contra corrientes excesivas.
  • Separación de fases: Las fases deben estar claramente identificadas y separadas para evitar cortocircuitos accidentales.
  • Ubicación de componentes: Los dispositivos de corte y protección deben estar accesibles y, generalmente, ubicados en la parte superior para facilitar su manipulación segura.
  • Identificación de conexiones: Cada conexión y dispositivo debe estar debidamente identificado para facilitar el mantenimiento y evitar errores.

Normativas de Instalación

Algunos estándares relevantes para el diseño de tableros eléctricos son:

  • IEC 61439: Establece requisitos para la construcción y verificación de los tableros de baja tensión, cubriendo aspectos de seguridad y eficiencia.
  • NOM-001-SEDE: Norma Oficial Mexicana aplicable en instalaciones eléctricas, que regula desde la disposición de los conductores hasta la protección contra sobrecorriente.
  • NFPA 70E: Regula la seguridad en el trabajo con equipos eléctricos, enfocándose en la prevención de accidentes eléctricos y en el uso de equipo de protección personal adecuado.
Diseño 3D de caja

Para poder crear el tablero eléctrico, primero se revisó la teoria de construcción de un tablero, esto incluye normas como la DIN 60715 que especifica la forma de los rieles para ajustar los componentes eléctricos y que sea más sencilla su instalación y con un uso seguro.

Archivo de diseño .STEP
... ...
Construcción

Para el armado del modelo 3D del tablero eléctrico se realizaron los planos de las figuras y se exporto a dxf para poder mediante un prototipado rápido con mdf y corte láser construir el tablero; se utilizaron elementos como "press and fit" para mejorar el armado. Finalmente se reforzo mediante pegamento blanco y se monto en el aula para poder realizar las siguientes prácticas del curso en este.

Planos DXF
...
...
1er Circuito

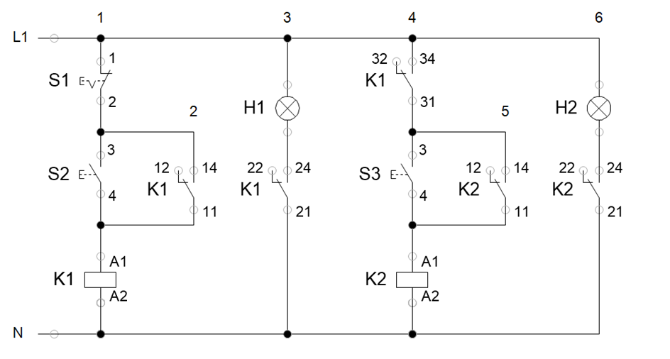
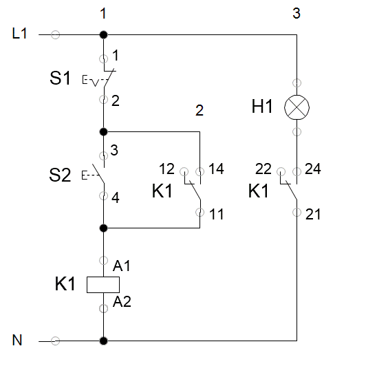
Conexión de un paro de emergencia y un circuito de retención con relevador.

...
...
...
2do Circuito

Conexión de un circuito dependiente para encender una lampara mediante relevador.

...
...
3er Circuito

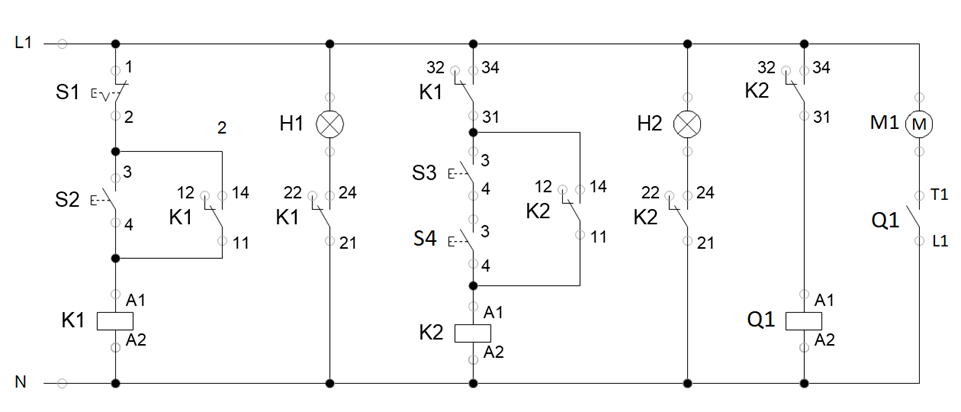
Conexión de un motor simple con una sola fase y referencia.

Conclusión

El armado del tablero fue exitoso a pesar de algunos desafíos en el proceso, como los problemas de diseño relacionados con la distribución de pesos en la caja de MDF. Fue importante conocer las medidas de los componentes expuestos como botones y focos para realizar los cortes precisos. También fue útil colocar ventanas para ventilación pasiva en armarios, que además sirve para pasar cables del exterior al interior de la caja.

Los circuitos implementados operaron de acuerdo con lo previsto, la integración de relevadores e interruptores termomagnéticos resultó ser importante ya que nos ayudó a evitar descargas y cortocircuitos.

Referencias Bibliográficas