Práctica 1

Ejercicio de Repaso.

Regresar a Teoría

Introducción

En esta práctica se construyeron circuitos básicos como conexiones en serie, paralelo, compuertas lógicas como AND y OR, y un circuito de enclavamiento utilizando componentes eléctricos como lámparas, botones, y relevadores, todos conectados a una fuente de 127V. Este tipo de circuitos es fundamental en aplicaciones prácticas de control y automatización eléctrica, ya que permiten la comprensión de principios como la conmutación, la protección de dispositivos y el manejo de cargas.

Además, se utilizó el software FluidSim para simular los circuitos y comprobar el funcionamiento antes de construirlos para evitar errores. en el área de sistemas eléctricos.

Instrucciones PDF
...

Marco Teórico: Circuitos Básicos y Control Eléctrico

Circuitos en Serie y Paralelo

Las conexiones en serie son aquellas donde los componentes están conectados uno tras otro, de modo que la corriente fluye a través de cada componente en la misma dirección. Este tipo de conexión es ideal para circuitos donde se requiere que cada componente dependa de los demás para que el sistema funcione.

Por otro lado, en los circuitos en paralelo, los componentes están conectados de tal forma que la corriente se divide y puede fluir por varios caminos. Estos circuitos son útiles en aplicaciones donde se necesita que cada componente funcione de manera independiente.

Compuertas Lógicas: AND y OR

Las compuertas lógicas se utilizan ampliamente en la lógica de control. Las compuertas AND permiten que una señal de salida se active solo cuando todas las entradas son verdaderas. En cambio, las compuertas OR permiten que la salida se active cuando al menos una de las entradas es verdadera. Estas compuertas son clave en el diseño de circuitos lógicos y sistemas de control en aplicaciones eléctricas.

Circuito de Enclavamiento

El circuito de enclavamiento es un tipo de configuración que se utiliza para mantener una carga, como una lámpara o un motor, en estado de encendido hasta que una condición específica se cumple para desactivarlo. Este tipo de circuito se construye utilizando botones de encendido y apagado, relevadores y una fuente de alimentación de 127V.

Un ejemplo común de este circuito es el uso de dos botones: uno para encender y otro para apagar la lámpara. Este diseño es fundamental en aplicaciones de control industrial para evitar que los dispositivos se apaguen accidentalmente.

Software de Simulación: FluidSim

Para asegurar el funcionamiento de los circuitos antes de construirlos físicamente, se utilizó el software FluidSim. Este programa permite simular circuitos eléctricos y comprobar su funcionalidad, ayudando a evitar errores costosos y mejorar el diseño de los sistemas. FluidSim es una herramienta poderosa en el área de sistemas eléctricos, especialmente para la enseñanza y la práctica en automatización y control.

Simulación de los siete circuitos en FluidSim

En esta parte se realizo la simulación de los circuitos en FluidSim utilizando los componentes adecuados y modificando los parámetros de la simulación para un funcionamiento a 120 Volts.

Descargar Simulación

... ...
1er Circuito

En este primer circuito se conecta una lámpara a 120 volts.

... ... ...
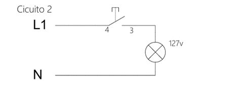
2do Circuito

Se conecta un botón y cuando se presiona se enciende la lámpara a 120 volts.

... ...
3er Circuito

Con un botón se conectan dos lámparas en paralelo, cuando se presionan ambas encienden.

... ... ...
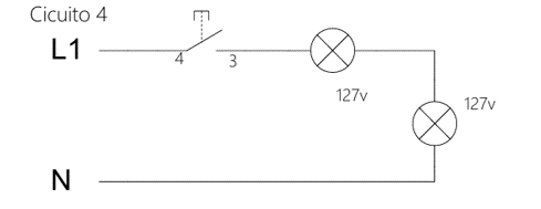
4to Circuito

Con un botón se conectan dos lámparas en serie, cuando se presionan ambas encienden.

... ... ...
5to Circuito

Se crea un circuito con dos botones en serie emulando una función AND, cuando ambos se presionan se enciende una lámpara con 120 volts.

... ... ... ...
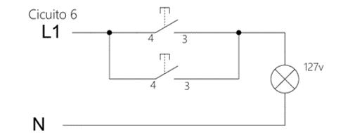
6to Circuito

Se crea un circuito con dos botones en paralelo emulando una función OR, cuando se presionan cualquiera de los botones se enciende una lámpara con 120 volts.

...
... ... ...
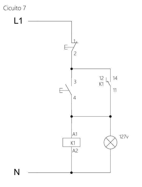
7mo Circuito

Se crea un circuito de retención (memoria) tipo LATCH, cuando se presiona el botón de activación este activa el circuito hasta que se presione el botón de paro y se dentenga el paso de energía. Para comprobarlo se añade una lámpara para ver los 120 volts al activarse y desactivarse.

Conclusión

La práctica se realizó de manera exitosa, ya que los circuitos construidos funcionaron de manera efectiva y sin errores. La simulación en FluidSim resulto ser una herramienta muy útil que permitió visualizar el comportamiento de los circuitos y evitar errores.

Esta práctica nos ayudó a reforzar principios eléctricos básicos, el uso de software para simulación y proporcionó una base sólida para las futuras prácticas.

Referencias Bibliográficas